Produit ajouté au panier avec succès
Il y a 0 produits dans votre panier. Il y a 1 produit dans votre panier.







































DIN 963 / iso 2009 - La vis à métaux TFF 4X35 à tête fraisée et empreinte fendue en inox A2 est totalement filetée sur toute l alongueur de la vis. La tête fraisée recommande un chanfrein, elle est idéale pour le centrage de pièces.
Grâce à son empreinte hexagonale standard, elle est utilisable avec le plus grand standards de clés, plates, à cliquet, à douille, mixtes et clés à molette.
Son empreinte fendue lui permet d'être utilisée avec un tournevis plat standard (tout le monde en a au moins un), mais aussi avec une visseuse dévisseuse avec embout plat, un grand classique, très résistant mais manque de précision en rotation.
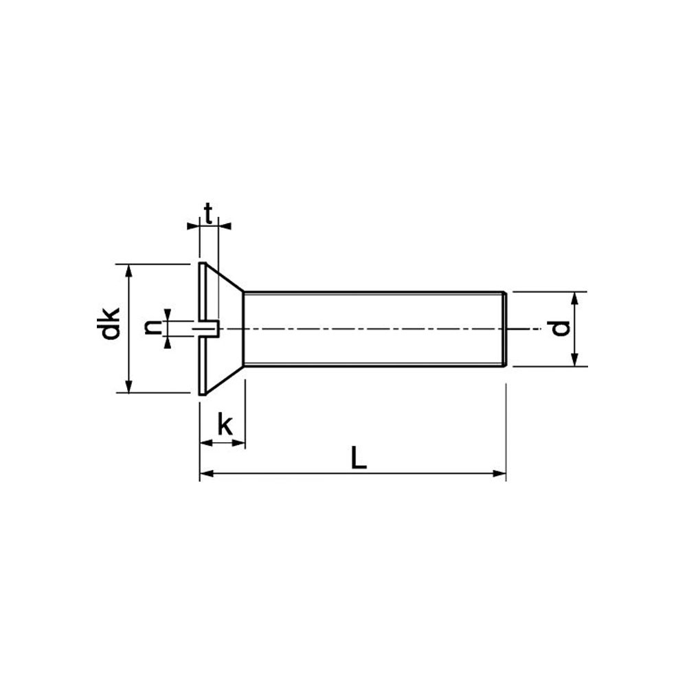
Voici les cotes complètes de la visserie tête fraisée présentée sous forme de tableau, d étant le diamètre de la vis, dk le diamètre de la tête de vis, k la hauteur totale du cône + de la tête de vis, n la taille de la fente ou chanfrein, et t min la profondeur de la fente.

| d | M1,6 | M2 | M2,5 | M3 | M4 |
|---|---|---|---|---|---|
| dk | 3 | 3.8 | 4.7 | 5.6 | 7.5 |
| k | 0.96 | 1.2 | 1.5 | 1.65 | 2.2 |
| n | 0.4 | 0.5 | 0.6 | 0.8 | 1 |
t min | 0.32 | 0.4 | 0.5 | 0.6 | 0.8 |
| d | M5 | M6 | M8 | M10 | M12 |
|---|---|---|---|---|---|
| dk | 9.2 | 11 | 14.5 | 18 | 22 |
| k | 2.5 | 3 | 4 | 5 | 6 |
| n | 1.2 | 2 | 2 | 2.5 | 3 |
t min | 1 | 1.2 | 1.6 | 2 | 2.4 |
| Norme | DIN 963, ISO 2009 |
| Diamètre en mm | 4 |
| Longueur en mm | 35 |
| Composition | Inox A2 |
| Empreinte | Fendue |
| Catégorie | Vis pour métaux |
| Filetage | Entièrement fileté |
30 autres produits dans la même catégorie :