Produit ajouté au panier avec succès
Il y a 0 produits dans votre panier. Il y a 1 produit dans votre panier.







































DIN 963 / iso 2009 - La vis à métaux empreinte fendue TFF 2,5X8 à tête fraisée en inox A4 est filetée sur toute la longueur de la vis. La tête fraisée préconise un chanfrein, elle est idéale pour le centrage et l'ajustage des pièces.
L'empreinte fendue lui permet d'être utilisée avec les outils les plus basiques, le tournevis plat le plus répendu, mais aussi avec une visseuse dévisseuse avec embout plat, un grand classique, seul défaut il manque de précision en rotation.
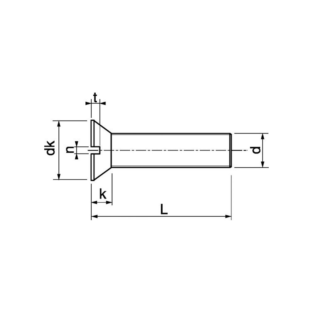
Voici un tableau présentant les cotes complètes de la visserie tête fraisée, d étant le diamètre de la vis, dk le diamètre de tête de vis, k la hauteur totale cône + tête de vis, n la taille de la fente ou chanfrein, et t min la profondeur de la fente.

| d | M1,6 | M2 | M2,5 | M3 | M4 |
|---|---|---|---|---|---|
| dk | 3 | 3.8 | 4.7 | 5.6 | 7.5 |
| k | 0.96 | 1.2 | 1.5 | 1.65 | 2.2 |
| n | 0.4 | 0.5 | 0.6 | 0.8 | 1 |
t min | 0.32 | 0.4 | 0.5 | 0.6 | 0.8 |
| d | M5 | M6 | M8 | M10 | M12 |
|---|---|---|---|---|---|
| dk | 9.2 | 11 | 14.5 | 18 | 22 |
| k | 2.5 | 3 | 4 | 5 | 6 |
| n | 1.2 | 2 | 2 | 2.5 | 3 |
t min | 1 | 1.2 | 1.6 | 2 | 2.4 |
| Norme | DIN 963, ISO 2009 |
| Diamètre en mm | 2.5 |
| Longueur en mm | 8 |
| Empreinte | Fendue |
| Catégorie | Vis pour métaux |
| Filetage | Entièrement fileté |
30 autres produits dans la même catégorie :