Produit ajouté au panier avec succès
Il y a 0 produits dans votre panier. Il y a 1 produit dans votre panier.







































DIN 965 / ISO 7046 - La vis pour métaux en inox A4 (316) TF 4X20 tête fraisée pozi, visserie standard d'utilisation pour particuliers et pro, grâce à sa tête conique elle est idéale pour fixer des pièces sur support avec chanfrein ou pour centrer des pièces en acier.
Sa tête fraisée pozi lui permet d'être utilisé avec tous les outils compatibles pozidrive, crée au départ pour d'adapter au couple plus important des visseuses dévisseuses grâce à leur tête en double croix à 45° elles sont également compatibles avec les tournevis type cruciforme (croix simple), même s'il est recommandé d'utiliser de vrais outils pozidriv.
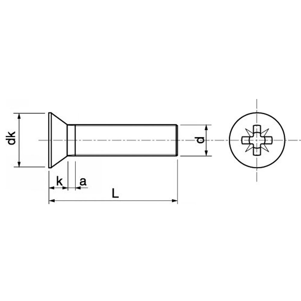
Le tableau ci dessous décrit les carctéristiques et nomenclatures des vis tête fraisées pozi, d étant le diamètre de la vis, dk le diamètre de la tête de vis, k la hauteur du cône de la tête de vis, a la longueur du creux de vis, et L la longueur de la vis, avec le cône compris.

| d | M2 | M2,5 | M3 | M4 | M5 | M6 |
|---|---|---|---|---|---|---|
| dk | 3.8 | 4.7 | 5.6 | 7.5 | 9.2 | 11 |
| k | 1.2 | 1.5 | 1.65 | 2.2 | 2.5 | 3 |
| pz | 1 | 1 | 1 | 2 | 2 | 3 |
| a | 0.8 | 0.9 | 1 | 1.4 | 1.6 | 2 |
| Norme | DIN 965, ISO 7046 |
| Diamètre en mm | 4 |
| Longueur en mm | 12 |
| Empreinte | Pozidriv |
| Catégorie | Vis pour métaux |
| Filetage | Entièrement fileté |
30 autres produits dans la même catégorie :