Produit ajouté au panier avec succès
Il y a 0 produits dans votre panier. Il y a 1 produit dans votre panier.







































DIN 85 / ISO 1580 - La vis à métaux TCL 5X16 inox A4 est composée d'une tête cylindrique élargie fendue augmentant le diamètre de sa tête. Elle est surtout utilisée en construction mécanique. La tête fendue même élargie ne permet pas un centrage optimal des outils.
La tête cylindrique fendue de la vis inox A4 est surtout conçue pour une utilisation manuelle à l'aide d'outils classiques comme le tournevis. C'est une vis prévue pour une utilisation particulière ou pro comme par exemple des applications mécaniques et en construction métallique.
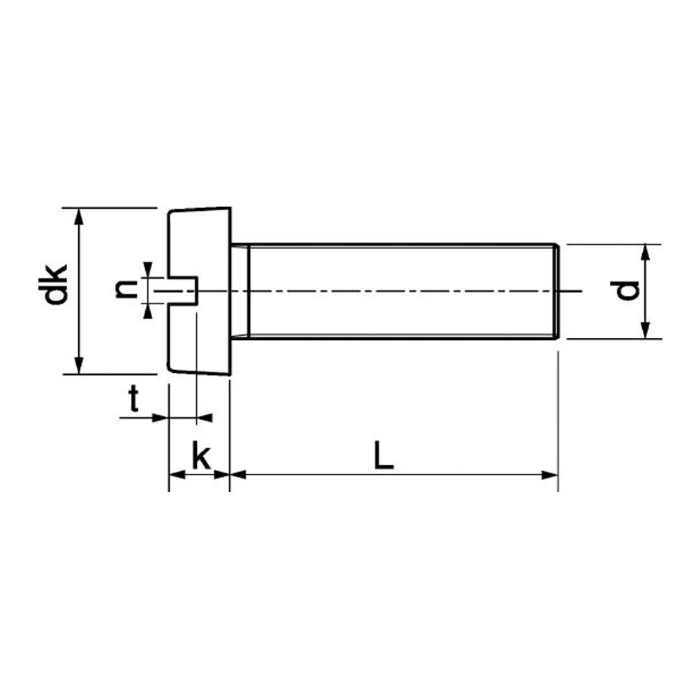
Vous trouverez sur ce tableau les caractéristiques techniques des vis à têtes cylindriques large, d est le diamètre de la vis, dk le diamètre de la tête de vis, k la hauteur du cylindre de la tête de vis, n la largeur de la fente, t la profondeur de fente, et L la longueur de la vis.
v
| d | M1.6 | M2 | M2,5 | M3 |
|---|---|---|---|---|
| dk | 3 | 4 | 5 | 6 |
| k | 1 | 1.2 | 1.5 | 1.8 |
| N | 0.4 | 0.7 | 0.8 | 0.8 |
| d | M4 | M5 | M6 | M8 |
|---|---|---|---|---|
| dk | 8 | 10 | 12 | 16 |
| k | 2.4 | 3 | 3.6 | 4.8 |
| N | 1.2 | 1.2 | 1.6 | 2 |
| Norme | DIN 85, ISO 1580 |
| Diamètre en mm | 5 |
| Longueur en mm | 16 |
| Empreinte | Fendue |
| Catégorie | Vis pour métaux |
| Filetage | Entièrement fileté |
| Code Barre | 3604880052585 |
30 autres produits dans la même catégorie :