Produit ajouté au panier avec succès
Il y a 0 produits dans votre panier. Il y a 1 produit dans votre panier.







































DIN 965 / ISO 7046 - La vis pour métaux en inox A2 (304) TF 2X16 tête fraisée 6 lobes type Torx aussi appelée vis-étoiles est spécialement conçue pour une utilisation automatique, robotisée ou avec des outils électriques, de type visseuse dévisseuse. L'avantage de ce système est qu'il glisse moins que les autres systèmes de type cruciforme, on abime moins la vis et moins l'outil.
La tête fraisée 6 lobes permet d'utiliser les outils compatibles Torx 6 lobes creux. C'est une vis idéale pour utilisation sur machine à cause de sa résistance. Il est plus difficile de foirer la tête de vis.
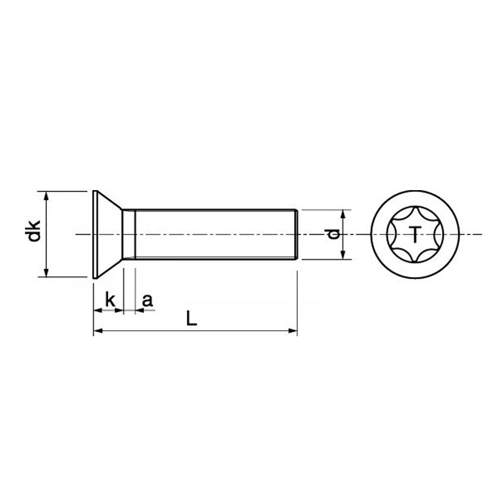
Voici le tableau de caractéristiques des vis Torx, d est le diamètre de la vis, dk le diamètre de la tête de vis, k la hauteur du cône de la tête de vis, T la taille de la clé Torx 6 pans creux correspondante, a la longueur du creux de vis, et L la longueur de la vis, avec le cône compris.

| d | M2 | M2,5 | M3 | M4 | M5 | M6 |
|---|---|---|---|---|---|---|
| dk | 3.8 | 4.7 | 5.6 | 7.5 | 9.2 | 11 |
| k | 1.2 | 1.5 | 1.65 | 2.2 | 2.5 | 3 |
| T | 6 | 8 | 10 | 20 | 25 | 30 |
| a | 0.8 | 0.9 | 1 | 1.4 | 1.6 | 2 |
| Norme | DIN 965 |
| Diamètre en mm | 2 |
| Longueur en mm | 16 |
| Composition | Inox A2 |
| Empreinte | Torx |
| Catégorie | Vis pour métaux |
| Filetage | Entièrement fileté |
30 autres produits dans la même catégorie :